News Center
新闻资讯
细数二极管常用的8个用途!你知道几个?
二极管是十分常用的基础元器件,本文主要介绍了二极管的一些作用,比如防反、整流、稳压、续流、检波、倍压、钳位、包络线检测。
1、防反
在主回路中,串联一个二极管,是利用二极管的单向导电的特性,实现了z简单可靠的低成本防反接功能电路。这种低成本方案一般在小电流的场合,类似小玩具等。
因为二极管导通会有一个0.7V(硅管)的导通压降,如果实际电流很大的话,那么就会产生一个热损耗,会导致发热。而且如果反接的电压很大的话,超过反向截止电压,也会击穿二极管本身,导致二极管失效,起不到防反接的功能,从而不能起到保护后级电路的作用了。

2、整流
整流电路的作用是将交流降压电路输出的电压较低的交流电转换成单向脉动性直流电,这就是交流电的整流过程,整流电路主要由整流二极管组成。经过整流电路之后的电压已经不是交流电压,而是一种含有直流电压和交流电压的混合电压,习惯上称单向脉动性直流电压。

3、稳压
具备稳压作用的二极管叫做稳压二极管,英文名称Zener diode,又叫齐纳二极管。利用PN结反向击穿状态,其电流可在很大范围内变化而电压基本不变,其基本电路结构如下图所示。

4、续流
续流二极管都是并联在线圈(感性元器件)的两端,线圈在通过电流时,会在其两端产生感应电动势。当电流消失时,其感应电动势会对电路中的原件产生反向电压。当反向电压高于原件的反向击穿电压时,会把原件如三极管,等造成损坏。
续流二极管并联在线两端,当流过线圈中的电流消失时,线圈产生的感应电动势通过二极管和线圈构成的回路做功而消耗掉,保护了电路中其他元件的安全。

又或者BUCK芯片电路中的续流二极管。

5、检波
峰值检波电路是对输入信号幅值的z大值进行检测,其工作原理是:当输入电压幅度大于二极管正向电压时,二极管导通,输出电压加在电容C1上,电容两端充电完毕,当输入电压幅值低于先前输入电压幅值时,二极管处于反偏截止状态。此时,电容两端的电压基本保持不变;若再输入信号,输入电压幅度必须高于此时电容两端的电压(即加在二极管的正向电压),二极管才能导通。

6、倍压
下图是一个2倍压电路原理图,其工作过程大概分析如下:
电源负半周时,二极管D1导通,D2截止,电流从电源下端流出经过D1, C1回到电源,因此电容C1右正左负,如下图中红色箭头。电源正半周时,电容C1上的电压叠加电源电压,使二极管D2导通,二极管D1截止,电容C2上正下负,峰值电压可达2倍电源的峰值电压,即实现二倍压。
该半周期时电流走向,如下图中桔色箭头所示:

7、电压钳位
在一些ADC检测电路中会用两个二极管进行钳位保护,原理很简单,0.7V为D1和D2的导通压降,Vin进来的电压大于等于3.3V+0.7V时,D35导通,Vout会被钳位在4V;Vin小于等于-0.7V时,Vout被钳位在-0.7V左右。

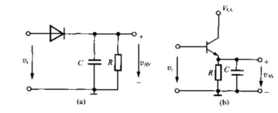
8、包络线检测
电路结构如下所示,设计要点是RC的时间常数需远大于载频的周期,又要远小于调制信号的周期。

(本网站部分素材来自网络,如果本网站展示信息侵犯您的版权或其他合法权益,请及时通知我们,本网站将及时删除。)











